F4K系列马达

——

产品分类
— PRODUTC —
  • 4Y系列马达
    1. 4Y系列马达4Y系列马达4Y系列马达4Y系列马达4Y系列马达4Y系列马达4Y系列马达4Y系列马达4Y系列马达4Y系列马达4Y系列马达4Y系列马达

4Y系列马达

地址:山东省济宁市任城区聚源电商小镇4号楼21号 

电话/微信:135-0638-8161(张经理)
电话/微信:135-8376-7126(李经理)
电话:0537-2635166
传真:0537-2635199   2310286


er

信息详情

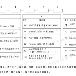
4y系列马达


4y系列马达1





4Y系列马达 2023-5-29 本文被阅读 3022次
上一条:8Y系列马达下一条:FRE系列车轮马达

同类产品